Home
Uncategories
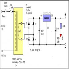
Diy Ham Radio Power Supply - On6mu 6 8 Amps And 20 Ampere Homemade Regulatable Powersupply - Because of good performance, the output voltage of 13v to 14v depending on the load.
Diy Ham Radio Power Supply - On6mu 6 8 Amps And 20 Ampere Homemade Regulatable Powersupply - Because of good performance, the output voltage of 13v to 14v depending on the load.
Diy Ham Radio Power Supply - On6mu 6 8 Amps And 20 Ampere Homemade Regulatable Powersupply - Because of good performance, the output voltage of 13v to 14v depending on the load.. Assemble the off grid ham 100 watts for $300 solar energy plant in an area where the panel is not exposed to direct sunlight. Find here how simple can be to convert an old pc power supply unit to amateur radio use. Please visit us today for all your ham radio needs! You should use a 12v/13.8v ham radio power supply. Ham radio power supply circuit with rfi elimination.
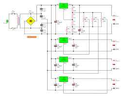
The off grid ham dc power pack can be made in two configurations. The heart of the unit is based around a 723 regulator chip. The tekpower tp30swii is another highly rated power supply for ham radios on the market. Start with a simple kit, like an accessory for your ham radio station. Best diy ham radio kit from 45w ssb linear power amplifier diy kits for transceiver hf.
Ham Radio Site Homebrew P S from www.dj0ip.de 1pc audio indicator magic eye 6e2 em87 6uh6 em84 tube low level input diy board. Start with a simple kit, like an accessory for your ham radio station. You should use a 12v/13.8v ham radio power supply. The powerwerx power supply is perfect for go kits. Follow the links to purchase.power supply: Because of good performance, the output voltage of 13v to 14v depending on the load. Emergency power for amateur radio stations southern california erc conference august 7, 2010 cerritos, ca. Version 2 will cost about $110.
The national association for amateur radio (arrl) is a great resources to find a location in your town.
The tekpower tp30swii is another highly rated power supply for ham radios on the market. One with a male connector and one with a female. The second uses a west mountain radio rig runner which offers ease of construction and a cleaner appearance. Almost all ham transceivers operate from 13.8v dc power. You can twist the green and one of the black wires together. Visit this site for details: Look into the softrock lite ii project and the latest info on the softrock rxtx v6.3 software defined radio transceiver.you will find it more than interesting! Because of good performance, the output voltage of 13v to 14v depending on the load. Be sure to tape them up and shrink wrap them. It is a very simple process. The powerwerx power supply is perfect for go kits. For that same $100, you can purchase a standard power supply built especially for radio use, meaning you won't hear them in your receiver. I think all fun hobbies are.
Look into the softrock lite ii project and the latest info on the softrock rxtx v6.3 software defined radio transceiver.you will find it more than interesting! The powerwerx power supply is perfect for go kits. Inspired after glancing at the dc output ratings on a failed hp proliant dl360 g5 power supply unit during a datacenter visit and thinking wow, this little supply is awfully compact compared to most desktop switchers and the fact that they're designed to run at/near 100% output. Why not plunge into the wonderful world of software defined radio (sdr)?. It is a better way if be a high power out of 5a to 30a according to the size of the transmitter.
Variable Power Supply Unit Diy Ham Radio Site from wb3anq.com Modifying hp proliant server power supplies Visit this site for details: Here some examples of diy projects using common pc psu and server psu. Then, if you like the experience, don't be afraid to graduate to more complex projects. When you want to build, not buy. I think all fun hobbies are. How to convert a computer's power supply into a ham radio power supply. Lou beaubien, burnaby's citizen of the year explai.
You should use a 12v/13.8v ham radio power supply.
When you want to build, not buy. What a fun little project! 2000 volts or even more. The heart of the unit is based around a 723 regulator chip. Please visit us today for all your ham radio needs! I kept 1 green, 3 yellow, and 4 black. Converting hp proliant power supplies for amateur radio use. Twelephone call via sip on ipad! Communicating with a ham radio is a great hobby all on its own, but if you're reading this blog as a seasoned electronics designer, then chances are you'll want more, so here are two paths to take. In this video post we'll be showing you a quick and easy survival medicine ham radio build. Diy portable lifepo4 battery power for ham radio. Because of good performance, the output voltage of 13v to 14v depending on the load. For that same $100, you can purchase a standard power supply built especially for radio use, meaning you won't hear them in your receiver.
April (44) march (42) february (29) january (42) Version 2 will cost about $110. Assembly of the ham radio workbench 12 power supply. Cut the 20 foot mc4 cable in half so that you have two, ten foot cables: Please visit us today for all your ham radio needs!
On6mu 12 Ampere 20 Or 30 Amps Homemade Power Supply Bdx33 2n3055 from users.belgacom.net The tekpower tp30swii is another highly rated power supply for ham radios on the market. Assemble the off grid ham 100 watts for $300 solar energy plant in an area where the panel is not exposed to direct sunlight. Visit this site for details: I kept 1 green, 3 yellow, and 4 black. Amateur radio 40 meter cw and some cq calls from n. The second uses a west mountain radio rig runner which offers ease of construction and a cleaner appearance. You can twist the green and one of the black wires together. How to convert a computer's power supply into a ham radio power supply.
Version 2 will cost about $110.
You should use a 12v/13.8v ham radio power supply. Twelephone call via sip on ipad! A ptt repeater box you can build qst august 1998, pp. In this video post we'll be showing you a quick and easy survival medicine ham radio build. See more ideas about ham radio, radio, amateur radio. The national association for amateur radio (arrl) is a great resources to find a location in your town. The ham radio workbench 12 vdc power distribution strip. Start with a simple kit, like an accessory for your ham radio station. One with a male connector and one with a female. Find here how simple can be to convert an old pc power supply unit to amateur radio use. For that same $100, you can purchase a standard power supply built especially for radio use, meaning you won't hear them in your receiver. This'll put us all on the same page. Converting hp proliant power supplies for amateur radio use.
Unfortunately, if your power supply is only 12 volts, the currents in your transmitter will be 50 times higher for the same amount of power diy ham radio. Amateur radio 40 meter cw and some cq calls from n.
0 Comments:
Post a Comment